综合产品
公司总机: 19924719091;19924739885
咨询邮箱:gzblep@163.com ; huang.xy@gzblep.com
公司地址:广东省广州市黄埔区黄埔大道东881号

玻璃钢(FRP)容器
2017-06-09 01:35
纤维增强塑料容器是以热固性树脂为基体材料,以玻璃纤维(其他纤维)及其制品为增强材料,采用短切纤维喷射、纤维缠绕、手工积层等工艺制成的容器。俗称“玻璃钢容器”。玻璃钢容器可以制成任意结构型式,主要以圆形、椭圆、方形、球形为主。
|
|
|
|
|
|
|
|
|
二、玻璃钢容器产品执行标准
1、玻璃钢容器质量标准
1)ASTM D3299 《Standard Specification for Filament Wound Glass-Fiber Reinforced Thermosetting Resin Chemical Resistant Tanks》
2)ASME RTP-1《Reinforced Thermoset Plastic Corrosion Resistant Equipment》
3)HG/T3983-2007《耐化学腐蚀现场缠绕玻璃钢大型容器》
4)JC/T 587-1995《纤维缠绕增强塑料贮罐》
5)HG/T21633-1991《玻璃钢管和管件》
6)SY/T0603-2005《玻璃纤维增强塑料储罐规范》
7)API SPECIFICATION 12P-1995《Specification for Fiberglass Reinforced Plastic Tanks》
8)HG/T 21504.1-92《玻璃钢储槽标准系列(VN0.5 m3-VN100m3)》
9)HG/T 21504.2-92《拼装式玻璃钢储罐标准系列(VN100m3-VN500m3)》
2、玻璃钢容器设计标准
1)HG20696-1999玻璃钢化工设备设计规定
2)ASTM D3299《Standard Specification for Filament Wound Glass-Fiber Reinforced Thermosetting Resin Chemical Resistant Tanks》
3)ASME RTP-1《Reinforced Thermoset Plastic Corrosion Resistant Equipment》
4)SH3046-1992《石油化工钢制贮罐设计规范》
5)ASTM C582 《Standard Specification for Contact-Molded Reinforced Thermosetting Plastic (RTP)Laminates for Corrosion-Resistant Equipment》
3、玻璃钢容器检测标准
1)GB/T1447-2005 纤维增强塑料拉伸性能试验方法
2)GB/T1449-2005 纤维增强塑料弯曲性能试验方法
3)GB/T2576-2005 纤维增强塑料树脂不可溶分含量试验方法
4)GB/T2577-2005 玻璃纤维增强塑料树脂含量试验方法
5)GB/T3854-2005 纤维增强塑料巴氏(巴柯尔)硬度试验方法
6)ASME RTP-1《Reinforced Thermoset Plastic Corrosion Resistant Equipment》
7)ASTM C582 《Standard Specification for Contact-Molded Reinforced Thermosetting Plastic (RTP)Laminates for Corrosion-Resistant Equipment》
8)HG/T3983-2007《耐化学腐蚀现场缠绕玻璃钢大型容器》
9)JC/T 587-1995《纤维缠绕增强塑料贮罐》
10)HG/T21633-1991《玻璃钢管和管件》
11)SY/T0603-2005《玻璃纤维增强塑料储罐规范》
12)ASM C 581《Practice for Determining Chemical Resistance of Thermosetting Resins Used in Glass Fiber Reinforced Structures Intended for Liquid Service》
4、玻璃钢容器原材料标准
1)GB/T 18369-2008《玻璃纤维无捻粗纱》
2)GB/T8237-2005 《纤维增强塑料用液体不饱和聚酯树脂》
3)GB/T13115 《食品容器及包装材料用不饱和聚酯树脂及其玻璃钢制品卫生标准》
三、玻璃钢容器罐壁结构型式
玻璃钢容器罐壁通常由内表层、防渗层、结构层和外保护层组成。管壁结构如图:

2)防渗层:树脂含量70~90%,主要起到防渗漏、抗柔性变形的作用;通过对防渗层厚度、树脂含量、树脂种类的不同设选型,可制造出不同防腐能力、刚度等级和柔性变形能力的容器。
3)结构层:树脂含量30~40%,主要起到抗内外压、抗柔性变形、提高容器结构整体性作用;通过对外结构层厚度、纤维缠绕角度、树脂含量、树脂种类的不同设计选型,可以制造出不同抗压能力和抗柔性变形能力的容器。
4)外保护层:树脂含量90%以上,主要起到抵抗外部环境破坏和改善容器外观的作用;通过对外保护层厚度、树脂种类、抗紫外线的不同设计选型,可制造出抗老化性能、耐腐蚀性能、抗紫外线性能等不同的容器。
四、玻璃钢容器产品特点
玻璃钢容器的组成材料是玻璃钢,具有玻璃钢的所有优点,通过科学合理的选材、工艺设计和结构设计可以达到要求的技术指标,玻璃钢容器的特点如下:
1)可设计性好:由于基体材料和增强材料的性能各不相同,玻璃钢可以通过合理的原材料选型、调整玻璃钢组分比例、改变增强材料的铺设方式和科学的结构设计以满足不同的理化性能要求。可以制成各种结构型式的玻璃钢容器。
2)机械性能优良:玻璃钢的拉伸强度低于钢管,高于球墨铸铁和混凝土,而比强度大约是钢的3倍,球墨铸铁的10倍,混凝土的25倍。抗冲击性能优良,落锤重量1.5kg在冲击高度1600mm下不损坏。
3)耐化学腐蚀:通过合理的原材料选型和科学的厚度设计,玻璃钢容器在酸、碱、盐、有机溶剂环境中长期使用。广泛应用于化工、石油、食品、冶金等行业。
4)耐热耐寒性能好:普通玻璃钢容器的使用温度一般为-40~70℃,若选用特种树脂或加入抗紫外线吸收剂,产品应用的环境温度-60~300℃,同时还能抵抗阳光长期照射。
5)具有良好的保温性能:由于玻璃钢产品是由高分子材料和增强材料复合而成,具有导热系数低的特点;室温下为:0.3~0.4KW/M.H.℃,只有金属的1/100~1/1000,是优良的绝热材料,因此温差较小的情况下(50℃以下)不需要作特殊的保温,就能达到很好的保温效果。
6)热膨胀系数小:由于玻璃钢热膨胀系数小(2.0×10-5/℃),可在地表、地下、架空、海底、高寒、沙漠、冰冻、潮湿、酸碱等各种恶劣条件下正常使用。
7)耐磨性能好:玻璃钢材料具有优良的耐磨性能,在容器内壁的磨损深度对比试验证明:经30万次旋转后,用焦油和瓷油涂层为0.53mm;经表面硬化处理的钢材为0.48mm;玻璃钢为0.21mm,由此可以说明玻璃钢材料的耐磨损性能十分优良,如果在树脂中加入改性助剂,玻璃钢材料的耐磨性能将成倍改善。
8)无毒害、无二次污染:在使用过程中不结垢、不生锈、不滋生藻类和其它的微生物,不需要阴极保护及其它防护措施,不会对水质或其它介质环境产生二次污染,是一种环保型容器。
9)轻质高强安装简便:比重仅为钢、铸铁的1/4—1/5,混凝土的2/3。玻璃钢容器重量大约占同规格钢制容器的1/4。因此,装卸方便,易于安装。
10)电绝缘性能优良:玻璃钢材料是优良的绝缘材料,用来制造绝缘体。高频下仍能保护良好的介电性。微波透过性良好;适应使用于输电、电信线路密集区和多雷区。
11)施工工艺性能优良:玻璃钢在固化成型前,由于树脂的流动性,可以采用不同的成型方法和模具,方便地加工成所需要的形状;这一特点最适合大型、整体和结构复杂的设备施工要求。
12)综合造价低:玻璃钢是一种树脂基复合材料,由于其所用原材料的价格较高,通常玻璃钢设备的价格高于碳钢衬胶和塑料设备,而低于一些有色金属和贵重金属设备,由于玻璃钢耐蚀性好、使用寿命长、维修少等优点,玻璃钢容器的整体综合造价远低于传统钢制容器。
|
|
|
五、玻璃钢容器应用领域
玻璃钢作为复合材料的一种,凭借优良理化性能广泛应用于化学工程、食品工程、冶金工程、海水淡化工程、市政工程等领域。|
|
|
|
化学工程
|
化学工程
|
|
|
|
|
食品工程
|
海水淡化工程
|
|
|
|
|
市政工程
|
冶金工程
|
六、玻璃钢容器种类
玻璃钢容器根据不同的划分方法,主要有以下几种划分方法:
1)根据容器的安装型式划分,主要分为:玻璃钢立式储罐、玻璃钢卧式储罐。
2)根据容器内部结构尺寸划分,主要分为:玻璃钢方形储罐、玻璃钢圆形储罐、玻璃钢圆形储罐、玻璃钢椭圆形储罐、玻璃钢球形储罐。
3)根据容器用途划分,主要分为:玻璃钢运输储罐、玻璃钢酸液储罐、玻璃钢碱液储罐、玻璃钢溶剂储罐、玻璃钢软化水罐、玻璃钢化粪井、玻璃钢塔器(包括吸收塔、净化塔、反应塔)等。
4)根据容器压力情况划分,主要分为:玻璃钢无压储罐、玻璃钢常压储罐、玻璃钢压力储罐等。
七、玻璃钢容器常用规格
结合以上分类方法和我公司的实际情况,主要介绍玻璃钢容器中常压的玻璃钢立式储罐、玻璃钢卧式储罐、玻璃钢运输储罐、玻璃钢塔器的常用规格型号。
1、玻璃钢立式储罐常用规格型号
玻璃钢立式储罐主要用于腐蚀性介质的储存和使用,储罐尺寸规格应根据工艺要求和现场场地情况确定。
|
|
|
1)常用规格尺寸表
|
D(mm) |
V(m3) |
L(mm) |
l(mm) |
D(mm) |
V(m3) |
L(mm) |
l(mm) |
|
1000 |
1 |
1365 |
1115 |
2200 |
12 |
3350 |
2800 |
|
1.5 |
1995 |
1745 |
14 |
3880 |
3330 |
||
|
2 |
2640 |
2390 |
16 |
4400 |
3850 |
||
|
2.5 |
3280 |
3030 |
18 |
4930 |
4380 |
||
|
1200 |
1.5 |
1440 |
1140 |
20 |
5450 |
4900 |
|
|
2 |
1880 |
1580 |
22 |
5980 |
5430 |
||
|
2.5 |
2320 |
2020 |
25 |
6770 |
6220 |
||
|
3 |
2760 |
2460 |
2500
|
15 |
3320 |
2790 |
|
|
1400 |
2.5 |
1740 |
1390 |
18 |
3930 |
3390 |
|
|
3 |
2080 |
1730 |
20 |
4340 |
3810 |
||
|
3.5 |
2400 |
2050 |
25 |
5350 |
4820 |
||
|
4 |
2720 |
2370 |
30 |
6370 |
5840 |
||
|
4.5 |
3050 |
2700 |
35 |
7390 |
6685 |
||
|
5 |
3370 |
3020 |
40 |
8400 |
7880 |
|
1500 |
3 |
1840 |
1460 |
2800 |
25 |
4290 |
3590 |
|
4 |
2395 |
2020 |
30 |
5120 |
4420 |
||
|
5 |
2970 |
2590 |
35 |
5930 |
5230 |
||
|
6 |
3540 |
3160 |
40 |
6740 |
6040 |
||
|
1600 |
5 |
2630 |
2230 |
45 |
7550 |
6850 |
|
|
6 |
3130 |
2730 |
50 |
8360 |
7660 |
||
|
7 |
3620 |
3220 |
3000 |
30 |
4500 |
3750 |
|
|
8 |
4120 |
3730 |
40 |
5920 |
5160 |
||
|
9 |
4630 |
4230 |
50 |
7330 |
6580 |
||
|
10 |
5120 |
4720 |
60 |
8750 |
7990 |
||
|
1800 |
8 |
3300 |
2850 |
70 |
10160 |
9410 |
|
|
10 |
4090 |
3640 |
80 |
11580 |
10830 |
||
|
12 |
4880 |
4430 |
3600 |
40 |
4250 |
3350 |
|
|
14 |
5660 |
5210 |
50 |
5220 |
4320 |
||
|
2000 |
10 |
3360 |
2860 |
60 |
6190 |
5290 |
|
|
12 |
3990 |
3490 |
70 |
7180 |
6280 |
||
|
14 |
4630 |
4130 |
80 |
8160 |
7260 |
||
|
16 |
5270 |
4770 |
90 |
9150 |
8250 |
||
|
18 |
5900 |
5400 |
100 |
10130 |
9230 |
||
|
4000 |
50 |
4320 |
3320 |
4000 |
100 |
8290 |
7290 |
|
60 |
5120 |
4120 |
110 |
9090 |
8090 |
||
|
70 |
5900 |
4900 |
120 |
9880 |
8880 |
||
|
80 |
6720 |
5720 |
150 |
12280 |
11280 |
||
|
90 |
7490 |
6490 |
|
|
|
2)现场缠绕大型立式储罐规格

|
D(mm) |
V(m3) |
H(mm) |
D(mm) |
V(m3) |
H(mm) |
D(mm) |
V(m3) |
H(mm) |
|
4500 |
100 |
6300 |
8500
|
400 |
7050 |
11000 |
1400 |
14760 |
|
150 |
9450 |
500 |
8850 |
12000 |
1200 |
10610 |
||
|
5000 |
150 |
7650 |
600 |
10580 |
1400 |
12400 |
||
|
200 |
10200 |
700 |
12380 |
1600 |
14180 |
|||
|
5500 |
150 |
6350 |
800 |
14130 |
1800 |
15950 |
||
|
200 |
8450 |
9000 |
400 |
6300 |
13000 |
1200 |
9050 |
|
|
300 |
12600 |
500 |
7860 |
1400 |
10550 |
|||
|
6000 |
200 |
7100 |
600 |
9450 |
1600 |
12080 |
||
|
250 |
8880 |
700 |
11000 |
1800 |
13590 |
|||
|
300 |
10550 |
800 |
12600 |
2000 |
15100 |
|||
|
6500 |
200 |
6050 |
9500 |
500 |
7050 |
14000 |
1400 |
9100 |
|
300 |
9050 |
600 |
8460 |
1600 |
10400 |
|||
|
400 |
12080 |
700 |
9880 |
1800 |
11690 |
|||
|
7000 |
300 |
7800 |
800 |
11290 |
2000 |
13050 |
||
|
400 |
10400 |
900 |
12720 |
2200 |
14350 |
|||
|
500 |
13020 |
10000 |
700 |
8950 |
15000 |
1600 |
9050 |
|
|
7500 |
300 |
6800 |
800 |
10190 |
1800 |
10200 |
||
|
400 |
9050 |
900 |
11460 |
2000 |
11300 |
|||
|
500 |
11350 |
1000 |
12760 |
2200 |
12480 |
|||
|
8000 |
300 |
5980 |
1200 |
15310 |
2400 |
13610 |
||
|
400 |
7960 |
11000 |
900 |
9470 |
2500 |
14200 |
||
|
500 |
9950 |
1000 |
10520 |
|
|
|
||
|
600 |
11950 |
1200 |
12650 |
|
|
|
2、玻璃钢卧式储罐常用规格型号
玻璃钢立式储罐主要用于腐蚀性介质的储存和使用,储罐尺寸规格应根据工艺要求和现场场地情况确定。

| D(mm) |
V(m3) |
L1(mm) |
L2(mm) |
支座(个) |
D(mm) |
V(m3) |
L1(mm) |
L2(mm) |
支座(个) |
|
1000 |
1 |
1450 |
950 |
2 |
2000 |
20 |
6700 |
5700 |
4 |
|
1.5 |
2090 |
1590 |
2 |
22 |
7350 |
6350 |
4 |
||
|
2 |
2720 |
2220 |
2 |
25 |
8290 |
7290 |
4 |
||
|
2.5 |
3360 |
2860 |
3 |
2200 |
12 |
3530 |
2430 |
2 |
|
|
1200 |
1.5 |
1540 |
940 |
2 |
14 |
4060 |
2960 |
3 |
|
|
2 |
1980 |
1380 |
2 |
16 |
4580 |
3480 |
3 |
||
|
2.5 |
2420 |
1820 |
2 |
18 |
5100 |
4000 |
3 |
||
|
3 |
2860 |
2260 |
2 |
20 |
5650 |
4550 |
3 |
||
|
1400 |
2.5 |
1870 |
1170 |
2 |
22 |
6150 |
5050 |
4 |
|
|
3 |
2190 |
1490 |
2 |
25 |
6950 |
5850 |
4 |
||
|
3.5 |
2520 |
1820 |
2 |
2500 |
15 |
3320 |
2790 |
3 |
|
|
4 |
2840 |
2140 |
2 |
18 |
3930 |
3400 |
3 |
||
|
4.5 |
3170 |
2490 |
2 |
20 |
4340 |
3810 |
3 |
||
|
5 |
3490 |
2790 |
3 |
25 |
5350 |
4820 |
3 |
||
|
1500 |
3 |
1960 |
1210 |
2 |
30 |
6360 |
5830 |
4 |
|
|
4 |
2520 |
1770 |
2 |
35 |
7380 |
6850 |
4 |
||
|
5 |
3090 |
2340 |
2 |
40 |
8400 |
7880 |
4 |
||
|
6 |
3650 |
2900 |
3 |
2800 |
25 |
4540 |
3140 |
3 |
|
|
1600 |
5 |
2760 |
1960 |
2 |
30 |
5350 |
3950 |
3 |
|
|
6 |
3260 |
2460 |
3 |
35 |
6150 |
4750 |
3 |
||
|
7 |
3760 |
2960 |
3 |
40 |
6960 |
5560 |
4 |
||
|
8 |
4260 |
3460 |
3 |
45 |
7780 |
6380 |
4 |
||
|
9 |
4750 |
3950 |
3 |
50 |
8590 |
7190 |
4 |
||
|
10 |
5250 |
4450 |
3 |
3000 |
30 |
4750 |
3250 |
3 |
|
|
11 |
5750 |
4950 |
4 |
40 |
6160 |
4660 |
3 |
||
|
1800 |
8 |
3450 |
2550 |
2 |
50 |
7580 |
6080 |
4 |
|
|
10 |
4230 |
3330 |
3 |
60 |
8990 |
7490 |
4 |
||
|
12 |
5030 |
4130 |
3 |
70 |
10400 |
8900 |
4 |
||
|
14 |
5800 |
4900 |
4 |
80 |
11840 |
10340 |
4 |
||
|
16 |
6590 |
5690 |
4 |
3600 |
40 |
4540 |
2740 |
2 |
|
|
18 |
7380 |
6480 |
4 |
50 |
5520 |
3720 |
3 |
||
|
20 |
8170 |
7270 |
4 |
60 |
6490 |
4690 |
3 |
||
|
2000 |
10 |
3530 |
2530 |
2 |
70 |
7480 |
5680 |
4 |
|
|
12 |
4150 |
3150 |
3 |
80 |
8460 |
6660 |
4 |
||
|
14 |
4790 |
3790 |
3 |
90 |
9450 |
7650 |
4 |
||
|
16 |
5440 |
4440 |
3 |
100 |
10430 |
8630 |
4 |
||
|
18 |
6060 |
5060 |
4 |
3、玻璃钢运输储罐常用规格型号
玻璃钢运输主要用于腐蚀型介质的倒运,运输罐的尺寸应根据车辆尺寸和道路运输情况确定,规格表中没有列举的型号,我公司可以按要求加工制作。

|
公称体积(m3) |
主要尺寸(mm) |
支架个数 |
||||||
|
|
a |
b |
L0 |
L |
A(dg) |
B(dg) |
C(dg) |
|
|
1 |
560 |
390 |
1160 |
1560 |
400 |
200 |
25 |
2 |
|
1.5 |
600 |
450 |
1450 |
1850 |
400 |
200 |
50 |
2 |
|
2 |
725 |
475 |
2000 |
2500 |
400 |
200 |
50 |
2 |
|
2.5 |
725 |
475 |
2450 |
2950 |
400 |
200 |
50 |
2 |
|
3 |
800 |
480 |
2500 |
3000 |
400 |
200 |
80 |
3 |
|
4 |
850 |
500 |
2700 |
3300 |
500 |
200 |
80 |
3 |
|
6 |
900 |
550 |
3500 |
4140 |
500 |
200 |
100 |
3 |
|
8 |
925 |
575 |
4420 |
5100 |
500 |
200 |
100 |
4 |
|
10 |
900 |
700 |
4650 |
5250 |
500 |
200 |
120 |
4 |
4、玻璃钢化粪井常用规格型号
玻璃钢化粪井为玻璃钢容器的一种,主要居民小区、厂矿企业排放污水的初期处理,应根据污水排量选用。用于取代传统的砖砌化粪井,解决了传统砖砌化粪井渗漏、施工周期长、产品质量不稳定、污染地下水等缺陷。安装方法参考图集DBJT29-49规定。

|
型号 |
体积Q |
D |
L |
H |
H1 |
N1 |
N2 |
N3 |
N4 |
|
1 |
2.00 |
1660 |
1500 |
1400 |
1300 |
150 |
150 |
460 |
530 |
|
2 |
4.00 |
1800 |
1900 |
1500 |
1400 |
150 |
150 |
460 |
530 |
|
3 |
6.00 |
1800 |
2800 |
1500 |
1400 |
200 |
200 |
460 |
530 |
|
4 |
9.00 |
1800 |
4400 |
1500 |
1400 |
200 |
200 |
460 |
530 |
|
5 |
12.00 |
2000 |
4400 |
1700 |
1600 |
200 |
200 |
460 |
530 |
|
6 |
16.00 |
2000 |
5900 |
1700 |
1600 |
200 |
200 |
460 |
530 |
|
7 |
20.00 |
2000 |
7500 |
1700 |
1600 |
200 |
200 |
460 |
530 |
|
8 |
25.00 |
2200 |
7500 |
1900 |
1800 |
200 |
200 |
460 |
530 |
|
9 |
30.00 |
2400 |
7500 |
2100 |
2000 |
200 |
200 |
460 |
530 |
|
10 |
40.00 |
2800 |
7100 |
2500 |
2400 |
200 |
200 |
460 |
530 |
|
11 |
50.00 |
2800 |
8700 |
2500 |
2400 |
200 |
200 |
460 |
530 |
5、玻璃钢塔器常用规格型号
塔设备是使气(或汽)液或液液两相之间进行紧密接触,达到相间传质及传热目的的设备,可完成精馏、吸收、解吸和萃取等操作步骤,是化工、石油化工和炼油等生产最重要的设备之一。传统塔设备通常为贵金属,玻璃钢塔器是玻璃钢材料替代传统的贵金属,玻璃钢塔器规格型号应根据化工工艺设计、场地空间情况确定,玻璃钢塔器结构设计按照塔设备设计规范确定。
玻璃钢塔器分为板式塔、填料塔和组合塔。板式塔可分为浮阀塔、筛板塔、泡罩塔等,填料塔根据用途分为净化塔、吸收塔等。其结构示意图如下:
|
|
|
|
填料塔:塔内装填一定段数和一定高度的填料层,液体沿填料表面呈膜状向下流动,作为连续相的气体自下而上流动,与液体逆流传质;两相的组分浓度沿塔高呈连续变化。
组合塔:将板式塔和填料塔塔内结构进行混合设计和应用。
1)玻璃钢塔器常用规格型号
|
名称 |
公称直径/mm |
|
玻璃钢塔器 |
600、800、1000、1200、1400、1600、1800、2000、2200、2400、2600、2800、3000、3200 |
|
说明:高度根据化工工艺设计要求确定,其他规格可按需方要求制造。 |
|
2)玻璃钢塔器塔壁层最小厚度
玻璃钢塔器塔壁与玻璃钢容器结构相同,包括耐腐蚀内衬层(包括表面层和防渗层)、结构层、外表面层组成。内衬层作用主要是防腐防渗漏,根据介质的不同选择合适的树脂体系;结构层作用主要是承受载荷,厚度由结构力学分析确定;外表面层作用主要是保护结构层并防止其老化。
表一 内衬层最小厚度
|
塔器公称直径/mm |
600~1200 |
1400~2000 |
>2000 |
|
|
耐腐蚀层厚度(mm) |
一般介质 |
4 |
5 |
6 |
|
|
强腐蚀介质 |
6.5 |
7.5 |
9 |
表二 玻璃钢塔壁最小总厚度
|
塔器公称直径/mm |
600~1200 |
1400~2000 |
>2000 |
|
最小厚度/mm |
14 |
22 |
26 |
3)玻璃钢塔器支座结构型式
玻璃钢塔器支座形式主要有两种,见图1和图2所示。

图1 底部为平形底时支座形式

图2 底部为标准椭圆形底时支座形式

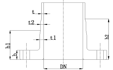
图3 玻璃钢塔器法兰接管
法兰接口尺寸表(mm)
|
DN |
最小厚度b |
最小厚度t |
最小厚度t1 |
最小厚度t2 |
h1 |
H=120 |
H=150 |
H=200 |
|
|
|
|
|
|
|
h2 |
h2 |
h2 |
|
15 |
12 |
5 |
12 |
8 |
50 |
80 |
100 |
/ |
|
20 |
12 |
5 |
12 |
8 |
50 |
80 |
100 |
/ |
|
25 |
14 |
5 |
12 |
8 |
50 |
80 |
100 |
/ |
|
32 |
14 |
5 |
12 |
8 |
50 |
80 |
100 |
/ |
|
40 |
15 |
6 |
13 |
9 |
50 |
80 |
100 |
/ |
|
50 |
15 |
6 |
13 |
9 |
50 |
80 |
120 |
/ |
|
65 |
15 |
6 |
13 |
9 |
50 |
80 |
120 |
/ |
|
80 |
16 |
6 |
13 |
9 |
50 |
80 |
120 |
/ |
|
100 |
16 |
6 |
13 |
9 |
60 |
90 |
120 |
160 |
|
125 |
18 |
6 |
13 |
9 |
60 |
90 |
120 |
160 |
|
150 |
18 |
7 |
14 |
10 |
60 |
90 |
120 |
160 |
|
200 |
20 |
7 |
14 |
10 |
60 |
90 |
120 |
160 |
|
250 |
20 |
7 |
16 |
11 |
80 |
100 |
120 |
160 |
|
300 |
25 |
7 |
16 |
11 |
80 |
100 |
120 |
160 |
|
350 |
25 |
7 |
18 |
12 |
80 |
100 |
120 |
160 |
|
400 |
30 |
7 |
18 |
12 |
80 |
100 |
120 |
160 |
|
450 |
30 |
7 |
18 |
12 |
90 |
/ |
120 |
160 |
|
500 |
35 |
7 |
20 |
13 |
90 |
/ |
120 |
160 |
|
600 |
40 |
7 |
20 |
14 |
100 |
/ |
130 |
160 |
|
700 |
50 |
7 |
21 |
14 |
100 |
/ |
130 |
160 |
|
800 |
50 |
7 |
22 |
14 |
100 |
/ |
130 |
160 |
|
说明:H为接管伸出塔器外壁长度。 |
||||||||
八、玻璃钢容器常用配件
玻璃钢容器配件的种类根据容器的用途配置,各种容器常用的配件有:
|
序号 |
容器种类 |
常用附属配件 |
|
1 |
玻璃钢立式储罐 |
接口、吊耳、地脚、裙座、支腿、爬梯、护栏、液位计、观察孔、搅拌支架、操作平台、铭牌等 |
|
2 |
玻璃钢卧式储罐 |
接口、吊耳、鞍座、爬梯、护栏、液位计、观察孔、操作平台、铭牌等 |
|
3 |
玻璃钢塔器 |
接口、填料、泡罩、液位计、塔板、吊耳、裙座、地脚、喷淋管、除沫器、循环管、冷凝管、爬梯、围栏、风机、铭牌等 |
下面介绍几类主要配件的配置方法:
1)接口:接口主要包括进出口、人孔、排污口、进排气口、投料口等,主要采用法兰连接,法兰与罐体接口型式主要有以下几种:
|
|
|
3)液位计:液位计种类较多,可采用液位显示、浮球标尺显示、数字显示,价格差别比较大。
4)填料:填料为气液接触元件,气液两相在填料间连续接触,填料分为实体填料、网体填料。
5)泡罩:泡罩是气液接触元件,它的结构型式有圆形和槽形两类,安装在升气管的上方,在安装良好和气液负荷不过量的情况下,不会发生泄漏。
6)冷凝管:由于容器的工作环境恶劣,冷凝管通常为贵重金属材料,有要求时应在图纸中标明。
|
|
|
|
|
|
九、玻璃钢容器选择方法
玻璃钢容器规格型号应由设计单位结合场地情况根据化工工艺要求设计确定;如果玻璃钢容器不涉及工艺设计要求,只是用于存储,用户应根据现有场地情况、环境要求、物料需求情况,同时结合厂家的规格型号和运输情况确定玻璃钢容器的规格型号。下面主要介绍用户在采购玻璃钢容器时,如何选择才能经济合理。
1、原材料选择
根据容器储存介质的种类、储存温度、贮存压力、储存环境等,对生产玻璃钢原材料进行选型,因为不同的树脂种类对不同的介质能抵抗不同,不同的纤维对不同介质的抵抗能力也不同。下面概括出几类材料的耐腐蚀性能,具体种类和牌号应咨询原材料厂家或玻璃钢容器生产厂家。
|
序号 |
环境因素 |
树脂适用材料 |
纤维适用材料 |
|
1 |
饮用水 |
乙烯基、食品级间苯、PE、PP等 |
E、ECR、ECT |
|
2 |
弱酸性环境 |
乙烯基、环氧、间苯、酚醛、呋喃、PE、PP等 |
C、ECR、ECT |
|
3 |
强酸性环境 |
酚醛、呋喃、乙烯基、PP等 |
C、ECR、ECT |
|
4 |
弱碱性环境 |
乙烯基、呋喃、间苯、环氧、PP等 |
AR、ECR、ECT |
|
5 |
强碱性环境 |
呋喃、PP等 |
AR、ECT |
|
6 |
低温环境 |
乙烯基、环氧、间苯、呋喃等 |
C、E、ECR、ECT、AR |
|
7 |
常温环境 |
乙烯基、环氧、间苯、酚醛、呋喃、邻苯、PE、PP等 |
C、E、ECR、ECT、AR |
|
8 |
高温环境 |
乙烯基、间苯、酚醛、呋喃、双酚A等 |
E、ECR、ECT |
|
9 |
有机溶剂 |
酚醛、呋喃、PE、PP等 |
E、ECR、ECT |
|
10 |
低浓度盐类 |
乙烯基、环氧、间苯、酚醛、呋喃、邻苯、PE、PP等 |
C、E、ECR、ECT |
|
11 |
高浓度盐类 |
乙烯基、间苯、酚醛、呋喃、双酚A等 |
E、ECR、ECT |
|
12 |
强氧化物类 |
乙烯基、间苯、呋喃、PP等 |
E、ECR、ECT |
|
|
含氟离子 |
乙烯基、环氧、间苯、酚醛、呋喃、邻苯、PE、PP等 |
涤纶、芳纶等有机纤维 |
2、配件选择
玻璃钢容器的各种配件应根据容器的用途、尺寸、场地大小、安装环境等因素考虑需要的配件,需要配件的规格型号、材料类型等。
3、罐壁结构设计优化
通常玻璃钢容器的壁厚由设计单位根据容器的用途和工艺要求设计确定。而玻璃钢是一种复合材料,材料的力学性能与选择材料种类、工艺铺层数量、各组分含量、纤维铺设角度等因素有关。因此容器的结构设计应根据选择材料和工艺技术水平进行优化设计,实现最佳经济效益。
4、塔设备选用顺序表
|
考虑因素 |
选择顺序 |
|
塔径 |
①800mm以下,填料塔 ②大塔径,板式塔 |
|
具有腐蚀性物料 |
①填料塔 ②穿流式塔 ③筛板塔 ④喷射型塔 |
|
污浊液体 |
①大孔径筛板塔 ②穿流式塔 ③喷射型塔 ④浮阀塔 ⑤泡罩塔 |
|
操作弹性 |
①浮阀塔 ②泡罩塔 ③筛板塔 |
|
真空操作 |
①填料塔 ②导向筛板塔 ③网孔板塔④筛塔 ⑤浮阀板塔 |
|
大液气比 |
①多降液管筛板塔 ②填料塔 ③喷射型塔 ④浮阀塔 ⑤筛板塔 |
|
存在两液相的场合 |
①穿流式塔 ②填料塔 |
十、玻璃钢容器的力学性能指标
玻璃钢材料的力学性能取决于选用原材料类型、工艺铺层设计、各组分含量、成型工艺等因素,下面列举适用于玻璃钢容器成型玻璃钢材料的物理性能指标: 1、缠绕玻璃钢力学性能指标
|
类别 |
小型容器(Φ≤4000mm) |
|
|
1 |
环向拉伸强度 |
320GPa |
|
2 |
轴向拉伸强度 |
160MPa |
|
3 |
环向弹性模量 |
24GPa |
|
4 |
轴向弹性模量 |
12GPa |
|
5 |
许用应变 |
0.001Φ |
|
类别 |
大型容器(Φ≥4000mm) |
|
|
1 |
环向拉伸强度 |
340GPa |
|
2 |
轴向拉伸强度 |
150MPa |
|
3 |
环向弹性模量 |
25GPa |
|
4 |
轴向弹性模量 |
12.5GPa |
|
5 |
许用应变 |
0.001Φ |
|
类别 |
其他性能参数 |
|
|
1 |
巴氏硬度 |
≥45 |
|
2 |
泊松系数 |
0.35 |
|
3 |
热膨胀系数 |
11.2×106℃/mm/mm |
|
4 |
断裂延伸率 |
0.8~1.2% |
|
5 |
氧指数 |
30% |
|
6 |
体积电阻率 |
5.5×1014Ωcm |
|
7 |
表面电阻率 |
2.5×1011Ωcm |
|
8 |
内表面粗糙率 |
0.0084 |
|
9 |
食品级残余单体含量 |
200ppm |
|
10 |
PVC-FRP层间剪切强度 |
8.5MPa |
2、手工积层玻璃钢力学性能指标
|
序号 |
性能指标 |
数值 |
|||
|
|
|
3.2~4.8mm |
6.4mm |
7.9mm |
≥9.5mm |
|
1 |
最小极限拉伸强度(MPa) |
65.0 |
85.0 |
90.0 |
105.0 |
|
2 |
拉伸模量(GPa) |
7.00 |
9.0 |
10.0 |
10.5 |
|
3 |
弯曲强度(MPa) |
110.0 |
130.0 |
140.0 |
150.0 |
|
4 |
弯曲模量(GPa) |
5.0 |
5.5 |
6.5 |
7.0 |
十一、玻璃钢容器安装方法
1、储罐搬运
1)为防止贮罐起吊时摆动失控,应在贮罐上系引导绳。
2)贮罐不准掉落或碰到其他物体上,以免引起贮罐结构部分和内部耐腐蚀层开裂。
3)贮罐不应在粗糙的地面上滚动或滑动,不可碰撞零部件。存放贮罐的场地应平整。
4)操作要仔细,以防工具、脚手架或其他物体撞击贮罐或掉落到贮罐上。操作者进入贮罐时应穿软底鞋。使用梯子时(内侧或外侧)凡与贮罐接触部位应加垫,以防表面刮伤或局部受载。
5)使用起重机时,吊钩头与贮罐之间的间距应至少等于起吊环之间的距离。用一根定距杆使吊耳连接平行且垂直于地面。
6)贮罐没有配备起吊环时,建议在贮罐两端适当位置上用高强布带或起吊缆绳(直径超过25mm)起吊。用叉式起重车调整贮罐位置时,叉子要带软垫。
7)贮罐安装前应放在运输架上,防止因风力或地面倾斜而滚动。
2、安装
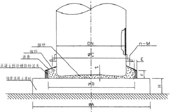
2.1基础:立式平底贮罐应安装在连续支承的平面基础上,并有足够的强度,以支承充满液体的贮罐

小型容器(DN≤4500)基础

大型容器(DN≥4500)基础
2.2贮罐安装
1)卧式容器的安装
支撑均采用2α=180°的鞍式支座与容器外壁必须相吻合,现将支座按设计的支撑位置分别放好,完全校直并调平后即可安放容器,支撑与容器之间垫一块4-6mm的橡胶垫,若支座为混凝土结构,为保证容器外壁与支座吻合,可在落罐前在整个支座支撑面上抹一层细砂水泥,在未凝固水泥上铺一层橡胶板,随即落罐,挤出多余水泥,填平吻合。
2)立式平底容器的安装
2.1)垫砂:在混凝土基础上铺一层建筑细砂,砂中不含大于5mm的石子,原则上中心厚周边薄,周边砂层厚度30-50mm为宜。
2.2)落罐:根据吊装要求,小心将容器落于砂层上,落罐后先不要摘掉挂钩,以便垫符砂子前反复起吊。
2.3)检查:检查罐体是否有渗漏。
2.4)做挡砂槽:为防止底边周边细砂被雨水或溢液冲失,必须按要求砌制或浇筑挡砂槽,该槽凝固后,用细沙填满并捣实。
2.5)沥青封槽:用沥青或沥青砂浆浇灌封闭挡砂槽上口,以防槽内灌水和砂子流失,影响基础的稳定性。
3)现场缠绕容器的安装
3.1)按制造厂提供的基础图制作容器时,要求基础上必须有一圈砖砌的挡圈,用于制作容器的平底封头。
3.2)在基础上糊制容器的平底封头。
3.3)敲掉基础上的挡。
3.4)将容器筒体插入底封头中,按工艺单要求进行内外对接。
4)安装接管
4.1)一般情况下,现场制作的大型容器不需设计地锚,但高径比大于2则需要考虑锚固措施。
5)注意事项:
5.1)立式贮罐用起重机搬运,起吊绳索应连接到顶部吊环上,并用引导绳防止摆动。
5.2)用锁紧凸块将贮罐锚固在基础上。锁紧的凸块用垫片塞紧,应防压载转移到罐壁上。见图A1。
5.3)阀门、控制器及其他连接到贮罐接管上的重型部件都应单独支撑或采用软连接。

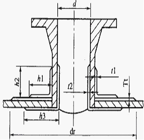
罐底与筒身承插对接示意图
表1 罐底与筒身对接尺寸表 单位:mm
|
规格(DN) |
r |
l/min |
L |
tp |
△ |
|
DN≤6500 |
50 |
200 |
250 |
设计厚度 |
8 |
|
6500<DN≤8500 |
80 |
200 |
250 |
|
8 |
|
8500<DN≤11000 |
100 |
250 |
450 |
|
10 |
|
11000<DN≤15000 |
120 |
250 |
450 |
|
10 |
|
DN>15000 |
120 |
300 |
450 |
|
10 |
|
|
|
|
罐底与筒身镶嵌对接示意图
|
|
3、安装注意说明
在装卸、运输过程中要平稳,防止碰擦和压伤,在摩擦处放置软质垫。贮罐贮存时可卧放也可立放,立放时加适当水,以防倾倒,卧放时加垫软质垫。防止罐在吊装过程中的损伤,按下列步骤进行吊装:
A、按基础图要求检查尺寸,并实测罐底凹度,用粒度小于5mm的细砂铺垫基础上接触面。
B、用吊车吊贮罐底部,移去支座,将罐底拐角放置在砂床上。
C、在罐顶中部大法兰上安装吊导环。
D、在下部人孔安装双向吊架,双向吊架有内、外吊耳伸入罐内。
E、从吊导环内穿入吊绳,一端挂住第一吊车的吊钩,另一端吊住内吊耳,吊绳不得接触的罐壁,如接触到罐壁应调整内吊而伸入量。第二吊车的吊钩通过吊绳挂住双向吊架的外吊耳。
F、用第一吊车将贮罐锥顶吊起,使罐体倾斜45°用第二吊车缓慢转动贮罐,是罐底拐角在砂床上滑动,直至将罐底吊离地面。
G、小心操纵吊车,将贮罐竖起,吊至基础上定位。
H、检查基础与罐底是否吻合,若否则重新吊起或用周边塞填法,用砂子垫符,直至各部位完全吻合为止。
I、安装下人孔。各法兰上盲板(排气孔除外)。
J、给贮罐冲水然后排空,如此重复2次(亦或与静水压试验同时进行),以稳定贮罐。
K、将熔化的沥青浇注在贮罐底周围,以防止砂子流失(也可做成挡砂槽)。
4、使用
A、常压容器使用:严禁加压或抽负压,在加液或排液过程中要留通气孔,不能在密封状态下加液或排液。
B、严禁超越合同规定的使用条件:容器是根据合同的使用条件专门设计制造的,未经供方技术部同意,用户不得随意改变容器存放介质的种类,也不能随意改变容器存放介质的温度及浓度。
C、禁止随意配装特种附件:除用户在合同中特意要求外,不允许配装大型附件如:搅拌器、特种阀门或振动型设备等,若实际需要这些附件, 必须在合同注明,以做特殊设计来保证安全。
D、严禁硬物撞击或划伤:进入容器内清洗和检修时,操作人员要穿软底鞋,使用梯子时,所有与容器接触的点均应包上软垫,以防划伤表面。在周围工作时,防止工具、手脚架和其它硬物撞击容器。
E、远离火源:在通常情况下,玻璃钢制品不允许接近火源。
F、暴露于阳光下的玻璃钢制品(尤其是上封头),经若干年长时间暴晒后,可能表面纤维有裸露现场(地下或室内不存在此类问题),这不会影响强度,只影响外观。可采用在容器外表面涂刷一层颜料的方法解决。
G、应避免容器安装后的再次移位。
十二、玻璃钢容器典型应用案例
| 1、立式玻璃钢罐 |
|
![]() |
![]() |
| 2、卧式玻璃钢罐 | |
|
|
|
| 3、现场缠绕玻璃钢罐 | |
|
|
|
| 4、玻璃钢运输罐 | |
|
|
|
| 5、玻璃钢化粪池 | |
|
|
|
| 6、玻璃钢塔器 | |
|
|
|
7、典型案例
![]() |
|
|
山西100立方玻璃钢立式罐
|
|
|
|
|
|
山东2000立方玻璃钢现场缠绕罐
|
|
|
|
|
|
天津DN2800玻璃钢化粪池
|
|
|
|
|
|
天津汉沽玻璃钢塔器
|
|
















































